欢迎来到广东鑫邦活性炭生产厂家!本公司主营各种材质规格的蜂窝活性炭、柱状活性炭、颗粒活性炭、废气处理活性炭等产品。

免费咨询热线
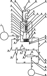
136-1277-7675微波催化活性炭反应器是一种高效、快速和环保的化学反应设备。它结合了微波技术和活性炭催化技术,并借助微波的高效加热和活性炭的催化作用,在化学反应中发挥协同作用。
与传统催化剂相比,微波催化活性炭反应器具有很多优点。微波能够迅速加热反应体系,提高反应速率和反应效率。活性炭催化剂具有高度的选择性和稳定性,能够实现高效催化反应。而且,微波催化活性炭反应器还能减少反应过程中的能耗和废弃物产生量,从而达到环保、节能的目的。
微波催化活性炭反应器被广泛应用于有机合成、环境污染治理、化工等领域。它不仅可以提高反应的效率和质量,还能降低生产成本和环境污染。因此,微波催化活性炭反应器在未来有望成为一种重要的化学反应设备。

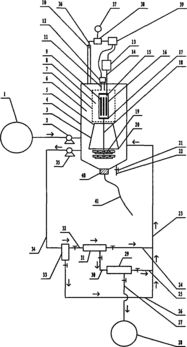
活性炭吸附脱附RCO(Regenerable Catalytic Oxidizer)催化燃烧设备是一种高效节能的空气污染治理技术。该设备主要由催化燃烧器和活性炭吸附器两部分构成,通过活性炭吸附废气中的有机污染物,再经过加热解吸和催化燃烧反应,将有机物转化为二氧化碳和水蒸气,从而达到净化空气的目的。
该设备优点多样,不仅处理效率高,而且操作简便,易于维护。同时,该设备在生产中也具有广泛的应用前景,例如化工、印染等行业,有效减少了工业废气的排放,达到了节能环保的效果。
活性炭吸附脱附RCO催化燃烧设备是目前空气污染治理技术的一项重要成果,为我们送来了宁静舒适的生活环境,将成为未来污染治理领域的重要发展方向。

活性炭吸附脱附催化燃烧(ACCD)是一种高效的气体净化技术。该工艺利用活性炭具有的大比表面积和优异的吸附性、脱附性以及催化性能,将有害气体中的污染物吸附在活性炭表面,经过一段时间的累积后,通过加热使其脱附,最后进行催化燃烧,将有毒、有害的废气转换成CO?、H?O等无害物质排放。
ACCD工艺具有灵活性高、能耗低、占地面积小等优点,广泛应用于电子、化工、印染、制药、食品等工业领域的废气处理中。相比传统的活性炭吸附工艺,ACCD技术能够彻底解决吸附效率低、能耗高、再生难以达到要求等问题,具有更高的净化效率和经济性。
随着环保意识的不断提高,ACCD技术在未来的废气治理中将得到更广泛的应用和发展。

活性炭废气过滤器是一种用于过滤空气中有害物质的设备。在许多工业和商业应用中,这种过滤器被广泛使用,以确保空气质量安全。活性炭过滤器的工作原理是利用炭素吸附有害气体分子的能力。活性炭颗粒的巨大表面积和孔隙结构,使其可以吸附住空气中的污染物。而且因为活性炭是非常孔隙化并且可再生的,因此可以持续地过滤空气。活性炭过滤器在汽车,工厂和其他含有空气污染物的地方是非常有用的。此外,因为活性炭非常安全,不存在对环境或人的危害,所以很容易被回收利用。活性炭废气过滤器是一项重要的环保措施,可以帮助减少有害物质对环境和人类的影响,保护人们健康和环境的安全。
广东鑫邦活性炭有限公司致力专注于柱状活性炭、颗粒活性炭、粉状活性炭、蜂窝活性炭生产与批发;广泛应用在:垃圾焚烧厂、黄金提取、工业废水处理、污水处理、废气处理、空气净化、喷漆烤漆房等 Copyright © 2002-2021 鑫邦活性炭厂家 版权所有 粤ICP备2021087261号