欢迎来到广东鑫邦活性炭生产厂家!本公司主营各种材质规格的蜂窝活性炭、柱状活性炭、颗粒活性炭、废气处理活性炭等产品。

免费咨询热线
136-1277-7675纯水系统活性炭是一种用于水处理的特殊材料。它是由无色、无味、无毒的天然物质煤制成,具有高度的孔隙度和表面积,使其成为一种高效的吸附剂。因此,它被广泛用于净化水质,去除水中杂质。
纯水系统活性炭的主要作用是去除水中的异味和异色,以及有机和无机物质。其聚合物打破了水分子的原子结构,吸附在活性炭表面上的杂质被有效去除。通过使用纯水系统活性炭,可以消除各种不良水源引起的不舒适味道和气味,让您享受更加新鲜、干净的水。
纯水系统活性炭的使用范围广泛,可以应用于家庭用途、酒店、医院、实验室、水产养殖等领域。使用纯水系统活性炭,能帮助我们去除水中的不良物质,保障饮用水的安全。

纯化水活性炭过滤器是用于净水的一种设备,它的作用是过滤掉水中的杂质和有害物质,使得水更加安全和干净。本身活性炭就可以吸附多种物质,而通过一个过滤器,更大限度地提高水的纯度和品质。
经过纯化水活性炭过滤器处理后的水,可以去除水中颜色、异味、氯气、细菌及病毒等污染物,保留水中的盐类、矿物质等有益成分,使水更加适合饮用、烹饪和洗漱等用途。
除了家庭使用外,纯化水活性炭过滤器也广泛应用于工业和农业等领域,可以用于纯化水质,去除废水中的有害物质,满足工业用水或排放的标准要求,从而保护环境和公共健康。
纯化水活性炭过滤器的作用非常重要,能够去除水中污染物质,提高水质,确保饮用和使用的安全性和健康性。

活性炭是一种具有极强吸附能力的材料,通过其微小的孔隙结构可有效地去除水中的异味、颜色、氯和有机污染物等。当水流经过活性炭床时,这些污染物会被吸附在活性炭的表面,从而使水质得到改善。
另外,活性炭还可以去除水中的细菌、病毒等微生物污染,从而保证水质达到安全健康的标准,可广泛应用于饮用水处理、污水处理、游泳池水处理等领域,并且具有使用方便、成本低廉等优点。
需要注意的是,活性炭吸附污染物的能力是有限的,一旦饱和,就无法继续吸附,因此需要定期更换活性炭,以保证其吸附能力的有效性。
综上所述,活性炭在水质处理方面起着非常重要的作用,可以有效去除水中的污染物和微生物,为我们生活中的用水提供了重要保障。

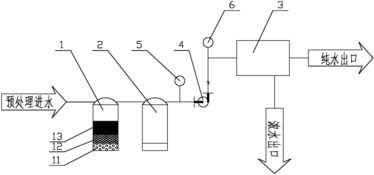
纯水系统是现代实验室、医药企业、化工厂等高要求的场所必备设备。但是,在纯水制备过程中,常常会出现一些问题,如水中难以去除的氯气、有机物等,这时候就需要通过活性炭进行去除。
活性炭是一种具有孔隙结构的吸附性物质,其表面积非常大,相当于一个足球场那么大。这样大的表面积使得活性炭具有很强的吸附能力,能够吸附水中的有机物、氯气等杂质,从而提高水的纯度。
在纯水系统中,活性炭被应用在预处理模块中。水在经过机械过滤器和软化器处理后,经过活性炭过滤器,就能够带来更高的水质。活性炭还有一个很好的特性,就是可以再生。当活性炭吸附的杂质过多时,只需要将其暴露在高温高压下,杂质就可以被蒸发掉,活性炭就可以被再次使用。
因此,纯水系统中的活性炭作用主要是通过吸附性质去除杂质,从而提高水的纯度,同时也具有再生特性,可以提高系统的经济效益。
广东鑫邦活性炭有限公司致力专注于柱状活性炭、颗粒活性炭、粉状活性炭、蜂窝活性炭生产与批发;广泛应用在:垃圾焚烧厂、黄金提取、工业废水处理、污水处理、废气处理、空气净化、喷漆烤漆房等 Copyright © 2002-2021 鑫邦活性炭厂家 版权所有 粤ICP备2021087261号